
Description
The ABSOLUTE Digimatic back-jaw centreline calipers offer you the following benefits:
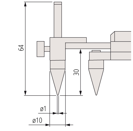
- Specially designed to allow you to measure hole centre-to-centre or
edge-to-centre distances. - You can read measurements more easily from above, thanks to the jaws being on the back of the slide.
- Direct reading of pitch measurements is also available due to the offset value setting function.
Delivered: | In a case, including 1 battery |
Max. response speed: | Unlimited |
Battery life: | approx. 5000 hours |
Display: | LCD, Character Height 7 mm |
ORIGIN (ABS-Zero): | Yes |
OFFSET*: | Yes |
ON/OFF: | Yes |
Low voltage alarm: | Yes |
Data output: | Yes |
PRESET: | Yes |
ZERO/ABS: | Yes |



* Chi tiết vui lòng xem catalogue
*VAT excluded. All products are intended to be sold to commercial customers.
Product illustrations are without obligation. Product descriptions, in particular any and all technical specifications, are only binding when explicitly agreed upon.
`










Reviews
There are no reviews yet.